Published:2009/7/3 3:59:00 Author:May | From:SeekIC

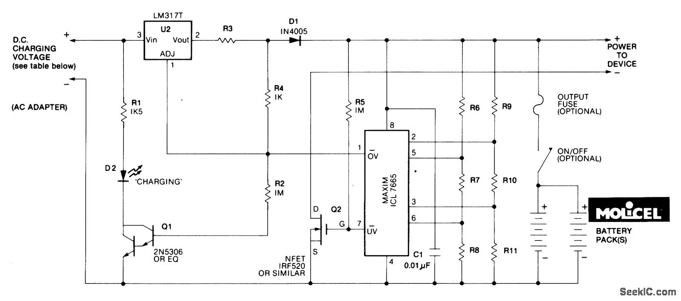
Charging is accomplished with a constant current of 60 mA for AA cells to a cutoff voltage of 2.4 V per cell at which point the charge must be terminated. The charging system shown is designed for multi-cell battery packs of 2 to 6 series-connected cells or series/parallel arrangements. It is essential that all cells assembled in the pack be at an identical state-of-charge (voltage) prior to charging. The maximum upper cut-off voltage is 15.6 volts (6 x 2.6 V).
Reprinted Url Of This Article:
http://www.seekic.com/circuit_diagram/Basic_Circuit/LITHIUM_BATTERY_CHARGER.html
Print this Page | Comments | Reading(3)
Code: