Published:2013/9/28 21:07:00 Author:lynne | Keyword: LM2903, LM393 Datasheet | From:SeekIC

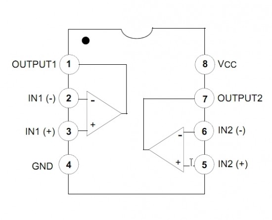
The LM2903, LM393/LM393A, LM293A consist of two independent voltage comparators designed to operate from a single power supply over a wide voltage range.LM393, LM2903 Features
Single Supply Operation: 2V to 36V
Dual Supply Operation: ±1V to ±18V
Allow Comparison of Voltages Near Ground Potential
Low Current Drain 800µA Typ.
Compatible with all Forms of Logic
Low Input Bias Current 25nA Typ.
Low Input Offset Current ±5nA Typ.
Low Offset Voltage ±1mV Typ.
Reprinted Url Of This Article:
http://www.seekic.com/circuit_diagram/Basic_Circuit/LM2903_LM393_Datasheet.html
Print this Page | Comments | Reading(3)
Code: