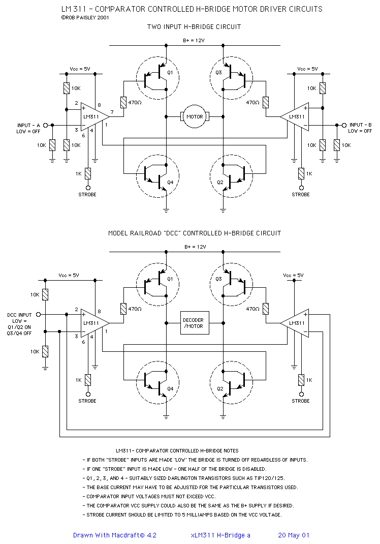
Published:2013/5/16 1:56:00 Author:muriel | Keyword: LM311 Comparator , Controlled H-Bridge schematic | From:SeekIC

Reprinted Url Of This Article:
http://www.seekic.com/circuit_diagram/Basic_Circuit/LM311_Comparator_Controlled_H_Bridge_schematic.html
Print this Page | Comments | Reading(3)
Code: