Published:2009/7/16 3:42:00 Author:Jessie | From:SeekIC

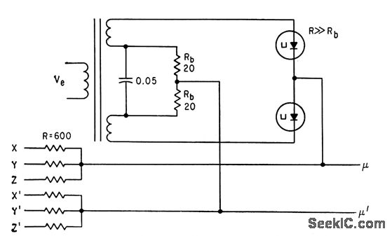
Ungrounded locked or Goto tunnel-diode pair permits logical inversion with no loss of speed or gain. Applications include converting analog television signals into pulse-code modulation.-C. L. Cohen, New Approach to Locked-Pair Tunnel-Diode Logic, Electronics, 35:31, p 46-47.
Reprinted Url Of This Article:
http://www.seekic.com/circuit_diagram/Basic_Circuit/LOCKED_PAIR.html
Print this Page | Comments | Reading(3)
Code: