Published:2009/7/14 1:33:00 Author:May | From:SeekIC

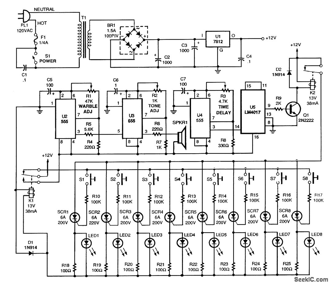
This circuit is used in contests,games,etc When a contestant presses one of the buttons,an SCR triggers,lighting the associated LED and preventing anyone else from actuating the system .U2 and U3 form a warble tone generator, while U4 and U5 provide time delay.
Reprinted Url Of This Article:
http://www.seekic.com/circuit_diagram/Basic_Circuit/LOCKOUT_CIRCUIT_.html
Print this Page | Comments | Reading(3)
Code: