Published:2009/7/14 2:58:00 Author:May | From:SeekIC

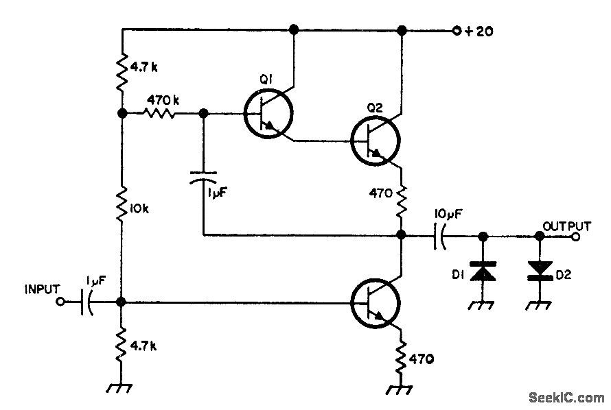
Based on fact that back-to-back diodes driven by current generator give output that varies logarithmically with input signal.With values shown, relation is logarithmic over 60-dB range.Transistors are 2N2924,SK3019,GE-10,or HEP-54,and diodes are 1N914,-Circults,73Magazine, April 1974,ρ 34.
Reprinted Url Of This Article:
http://www.seekic.com/circuit_diagram/Basic_Circuit/LOGAMP.html
Print this Page | Comments | Reading(3)
Code: