Published:2009/7/6 21:01:00 Author:May | From:SeekIC

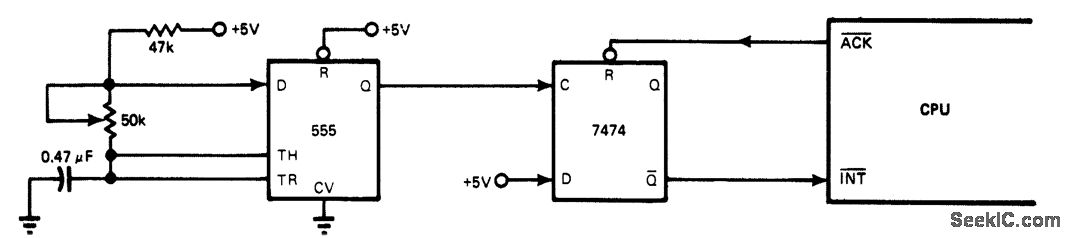
Used in microcomputer applications requiring recording of exact time of each event by data-logging printer,Uses555 timer and 7474 D flip-flop to produce interrupt request every 16.67 ms. Requires use of software routine that acknowledges interrupt, increments counter in known location to serve as time-of-day clock, and resumes interrupted program,Article diagrams software routine required. –Real-Time Software keeps Program Segments on Schedule, EDN Magazine. Novm,20.1976,p277-283.
Reprinted Url Of This Article:
http://www.seekic.com/circuit_diagram/Basic_Circuit/LOGGING_EXACT_TIME.html
Print this Page | Comments | Reading(3)
Code: