Published:2009/7/14 22:41:00 Author:Jessie | From:SeekIC



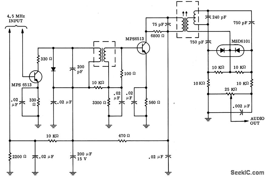
Uses two detectors fed 90° out of phase. Signals are demodulated conventionally for each phase, and the sum of the two signals is token across the whole output. Provides excellent operation as discriminator in 4.5.Mc tv sound detector.-J. B. Compton, A Low-Cost All Solid-Stale FM Discriminator for Consumer Applications, Motorola Application Note AN-212, Jan. 1966.
Reprinted Url Of This Article:
http://www.seekic.com/circuit_diagram/Basic_Circuit/LOW_COST_DISCRIMINATOR.html
Print this Page | Comments | Reading(3)
Code: