Published:2009/7/10 5:35:00 Author:May | From:SeekIC

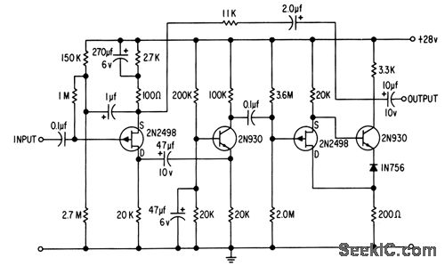
Features indude input impedance above 30 meg and noise figure below 3 db over wide range of generator resistantes. Bootstrapping of input stage enhances high input impedance of fet. Will operate down to 1 cps without need for large capacitors. Upper frequency limit is 500 kc for generator resistance of 100K. Voltage gain is stable within 0.5 db of 40, from -55 to +125℃.-Texas Instruments Inc., Solid-State Qommunicotions, McGraw.Hill, N.Y., 1966, p 290.
Reprinted Url Of This Article:
http://www.seekic.com/circuit_diagram/Basic_Circuit/LOW_LEVEL_1_CPS_TO_500_KC.html
Print this Page | Comments | Reading(3)
Code: