Published:2009/7/10 0:44:00 Author:May | From:SeekIC

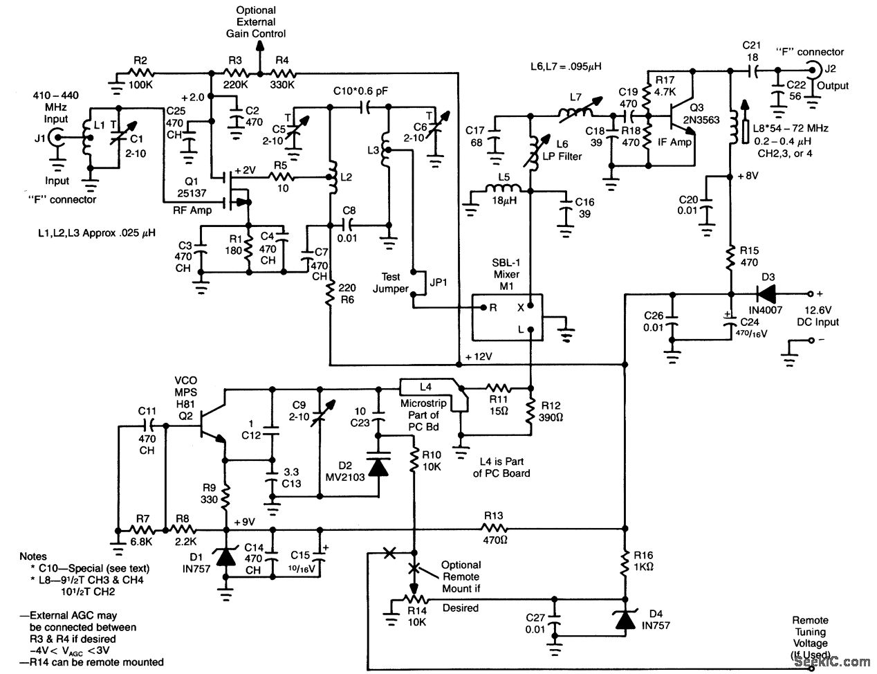
L1, Q1, L2,and L3 compose an RF amp⒒fter stage that feeds Ml,a doubly balanced mixer. Q4 is alocal oscillator stage In the 375-MHz range.Signals h the 420ˉto 450-MHz range from Q1 are mixed in M1 and fed through filter L6/L7/C17,where only the 60- to 70-MHz (CH3/CH4) signals pass. The IF signal is passed to Q3, an IF amplifier. The overall gatrns 25 dB and the noise figure less than 2 dB. A kit of all parts,including the PC board,is available from North Country Radio, P.O. Box 53,Wykagyl Station,New Rochelle,NY 10804.
Reprinted Url Of This Article:
http://www.seekic.com/circuit_diagram/Basic_Circuit/LOW_NOISE_420_MHz_ATV_RECEIVER_CONVERTER.html
Print this Page | Comments | Reading(3)
Code: