Published:2009/7/2 9:09:00 Author:May | From:SeekIC

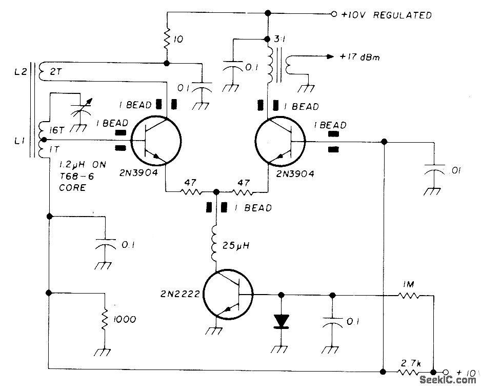
Very low-noise high-QLC oscillator operating at 5 MHz is designed for use in high-performance communication receivers. Oscillator uses two stages, one oporating in class A and the other operating as limiter that also serves as feedback path.-U. L. Rohde, Effects of Noise in Receiving Systems, Ham Radio, Nov. 1977, p 34-41.
Reprinted Url Of This Article:
http://www.seekic.com/circuit_diagram/Basic_Circuit/LOW_NOISE_5_MHz.html
Print this Page | Comments | Reading(3)
Code: