Published:2009/7/2 21:24:00 Author:May | From:SeekIC

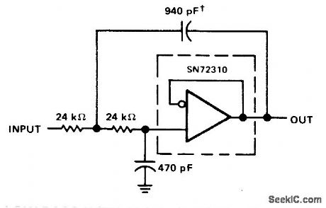
Simple circult uses only one Texas Instruments SN72310 voitage-fonower opamp,For good temperature stability,use silvered mlca capacitors.- TheLinear and Interface Circuits Data Book for Design Engineers, Texas Instruments,Danas,TX,1973,p 4-39.
Reprinted Url Of This Article:
http://www.seekic.com/circuit_diagram/Basic_Circuit/LOW_PASS_WITH_10_kHz_CUTOFF.html
Print this Page | Comments | Reading(3)
Code: