Published:2009/7/7 6:19:00 Author:May | From:SeekIC

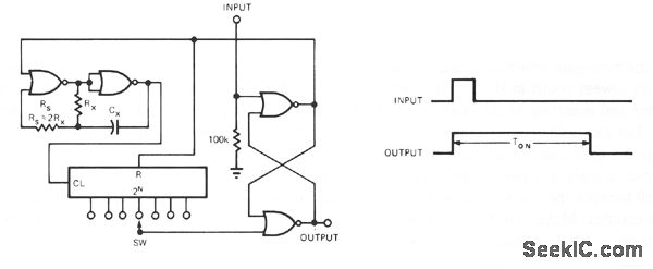
This CMOS circuit can be used as a 1-shot time delay switch and general-purpose timer. The circuit consists of a gated oscillator and a latch made from one CD4001 quad 2-input NOR gate as shown and a CD4020 14-stage counter. TON is a function of the oscillator frequency from the RxCx and the proper 2N output from the counter. A pulse applied to the latch will enable the oscillator and counter. The latch output will remain high until the 2N count resets the latch and disables the oscillator and counter. The circuit provides μs to hour interval timing. The extraordinarily long periods available from the CMOS oscillator, combined with the 14-stage counter, make this range possible. Further decoding is required for variations finer than a power of two.
Reprinted Url Of This Article:
http://www.seekic.com/circuit_diagram/Basic_Circuit/LOW_POWER_WIDE_RANGE_PROGRAMMABLE.html
Print this Page | Comments | Reading(3)
Code: