Published:2009/7/10 2:13:00 Author:May | From:SeekIC

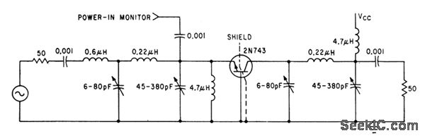
Good high-frequency parameters of epitaxial mesa transistor give high gain and efficiency at supply voltage of only 12 v. Output is 0.5 w ct 70 Mc.-D. Hall, Using Epitaxial Transistors in Switching and R-F Circuits, Electronics, 34:13, p 52-53.
Reprinted Url Of This Article:
http://www.seekic.com/circuit_diagram/Basic_Circuit/LOW_SUPPLY_VOLTAGE_VHF.html
Print this Page | Comments | Reading(3)
Code: