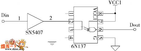
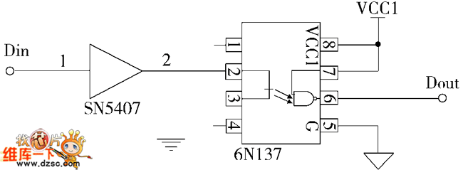
Published:2011/3/22 4:35:00 Author:Nicole | Keyword: Light-coupled isolation, drive | From:SeekIC

Reprinted Url Of This Article:
http://www.seekic.com/circuit_diagram/Basic_Circuit/Light_coupled_isolation_and_drive_circuit_diagram.html
Print this Page | Comments | Reading(3)
Code: