Published:2011/6/14 12:50:00 Author:Michel | Keyword: Load Power Adjustor, One | From:SeekIC

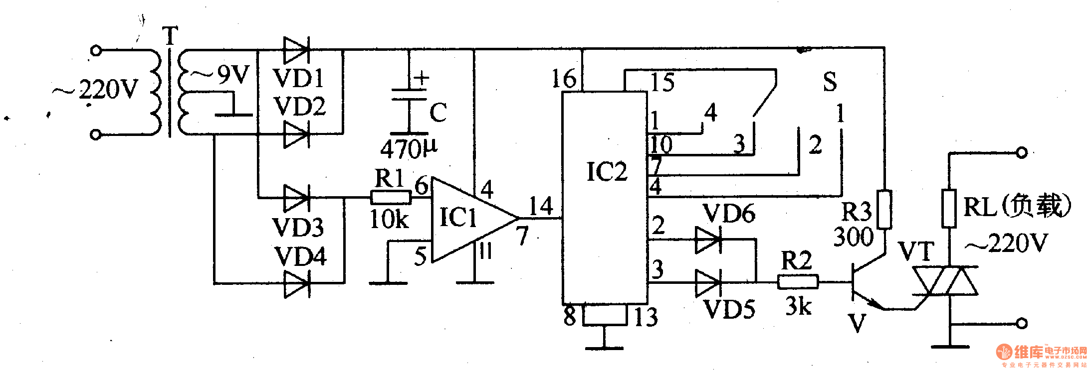
The load power adjustor adopts zero passage adjusting power circuit and the circuit is simple but with good effect.Its dependability is also high and it can regulate kinds of heating appliances' power such as electric hair dryer, electric cooker,electric iron and series wound motor's speed.
Circuit's Work Principle
The bearing power adjustor circuit is composed of power supply circuit,zero passage test circuit and power regulation circuit and it is showed as the picture 5-54.The power supply consists of mains transformer,T,commutation diode,VD1 and VD2 and filter capacitor,C.
Reprinted Url Of This Article:
http://www.seekic.com/circuit_diagram/Basic_Circuit/Load_Power_Adjustor__One.html
Print this Page | Comments | Reading(3)
Code: