Published:2011/5/22 0:48:00 Author:Michel | Keyword: Load Power Adjustor, Six | From:SeekIC

Theload power adjustor introduced in the example has the features of low power dissipation(self-power dissipation is only 1w)and broad regulating range(It can be adjusted from no output to all output).This adjustor can adjust electric heating appliance and fun's power.
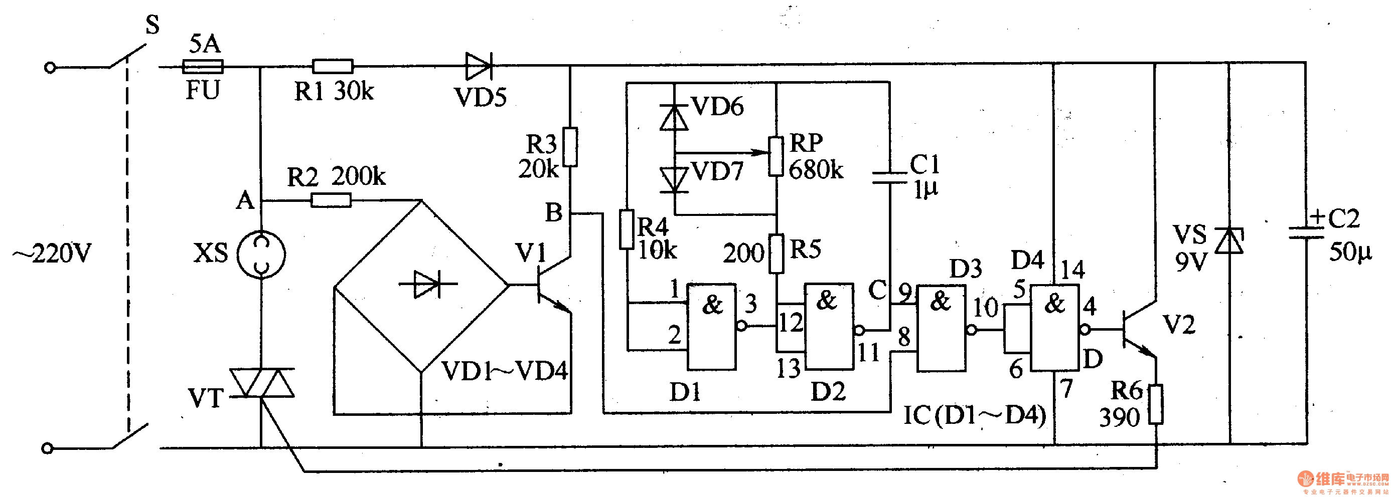
Circuit's Work Principle The bearing power adjustor circuit consists of power supply circuit,zero cross impulse detection circuit,multivibrator type oscillator,control operation circuit and it is showed as the picture 5-59.The power supply circuit is composed of power switch,S,fuse,FV,current-limiting resistor,R1,commutation diode,VD5,filter capacitor,C2 and voltage regulator diode,VS.
Reprinted Url Of This Article:
http://www.seekic.com/circuit_diagram/Basic_Circuit/Load_Power_Adjustor__Six.html
Print this Page | Comments | Reading(3)
Code: