Published:2011/5/22 0:53:00 Author:Michel | Keyword: Load Power Adjustor, Three | From:SeekIC

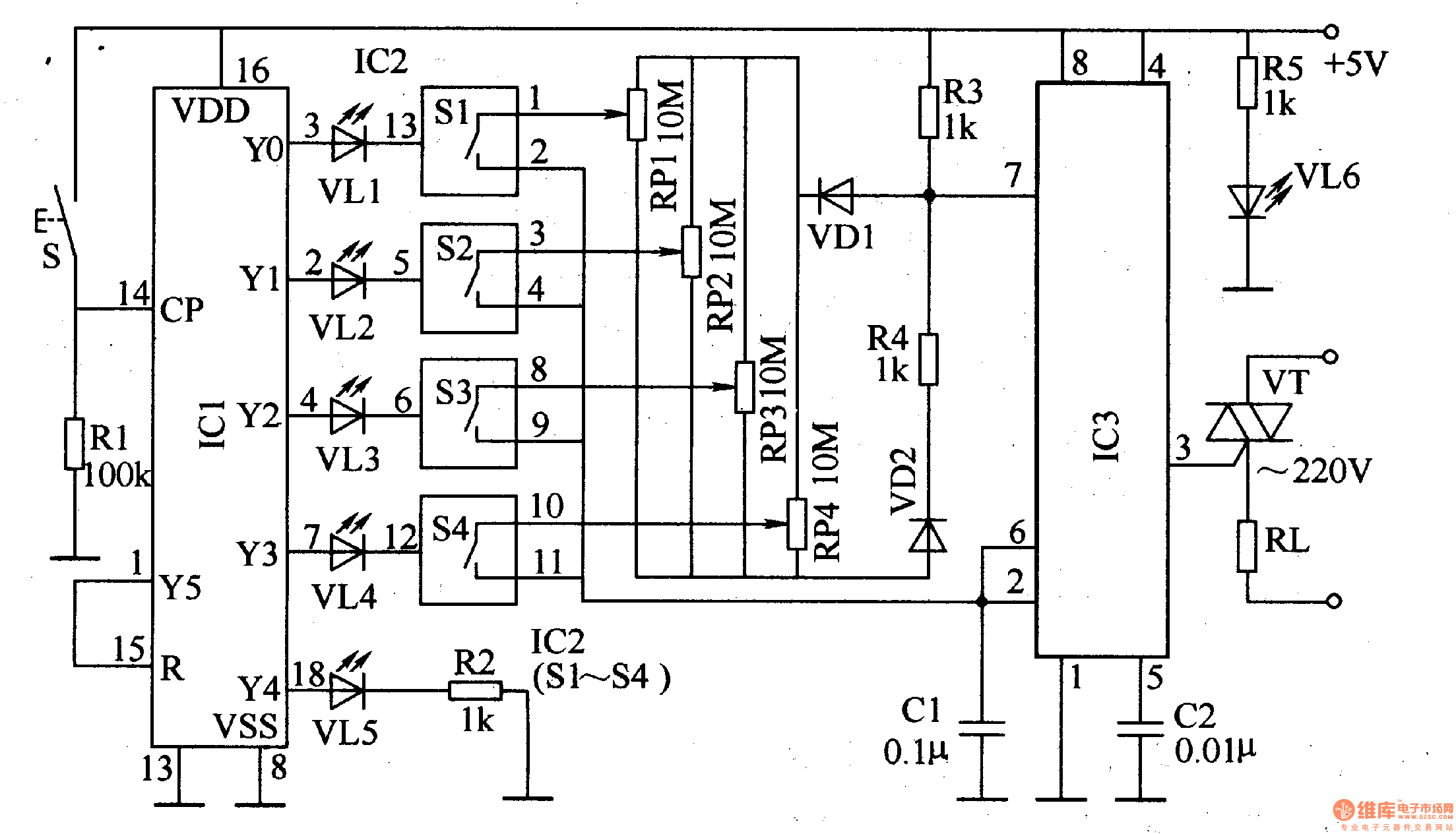
The four-gear load power adjustor introduced in the example is composed of CMOS IC.This adjustor can be used to regulate electronic oven,electric iron,electronic cooker,electric iron's tempreature or fun's speed.
Circuit's Work PrincipleThe load power adjustor circuit is composed of input controller,electronic switching,astable multivibrator and control operation circuit and it is showed as the picture 5-56.The input controller consists of counter,allotter IC,IC1,control button,S,resistor,R1 and R2,LED,VL1-VL5.
Reprinted Url Of This Article:
http://www.seekic.com/circuit_diagram/Basic_Circuit/Load_Power_Adjustor__Three.html
Print this Page | Comments | Reading(3)
Code: