Published:2011/5/22 0:49:00 Author:Michel | Keyword: Load Power Adjustor, Two | From:SeekIC

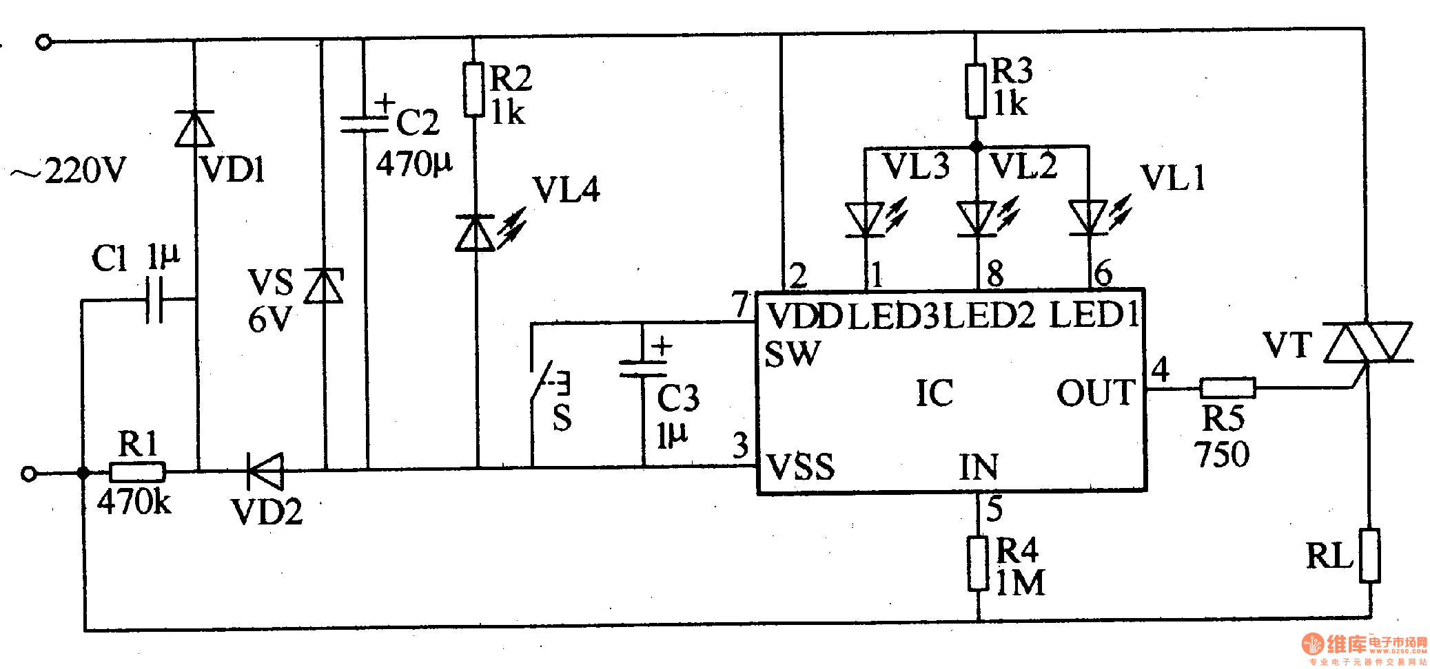
Theload power adjustor introudced in the example is composed of special adjusting power IC.It has the features of simple circuit,stabilization and dependablity,many adjustale gears and obvious indication.It can be used to regulate power appliances' temperature such as electronic oven,electric cooker,electric iron's tempreature and also can regulate fun and low-power single phase motor's speed.
Circuit's Work Principle
The bearing power adjustor is composed of power supply circuit and load power regulation circuit and it is showed as the picture 5-55.
Reprinted Url Of This Article:
http://www.seekic.com/circuit_diagram/Basic_Circuit/Load_Power_Adjustor___Two.html
Print this Page | Comments | Reading(3)
Code: