Published:2011/5/22 0:45:00 Author:Michel | Keyword: Load Power Adjustor, Five | From:SeekIC



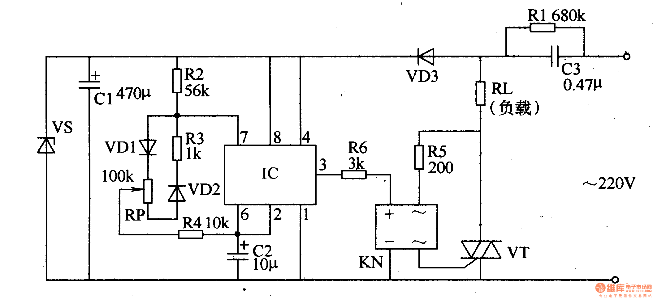
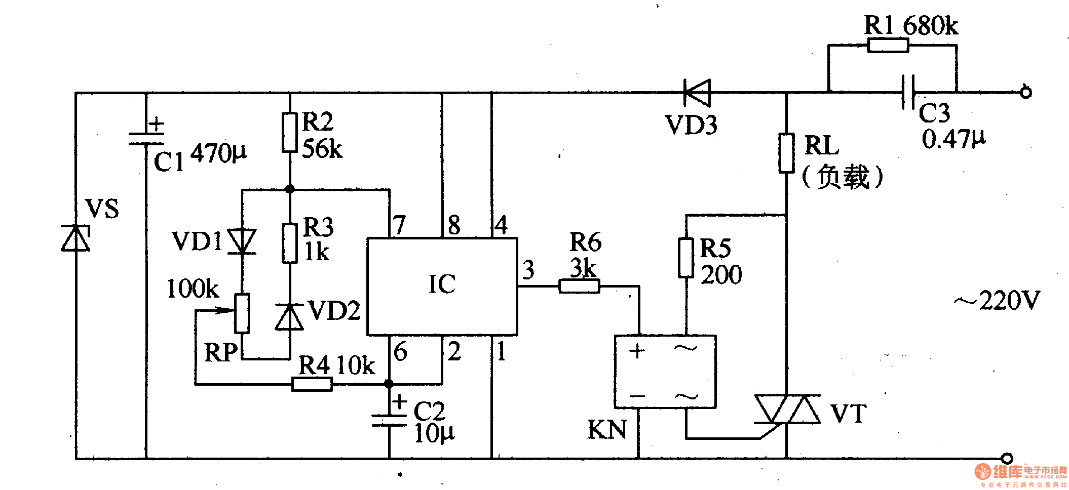
The bearing power adjustor introduced in the example is made from 555 time-base intergrated circuit with the features of simple circuit and manufacture.It can be used to adjust fun's speed,jacklight's light and electric heating appliance's temperature.
Circuit's Work PrincipleThe bearing power adjustor circuit is composed of power supply circuit,ultra-low frequency oscillator and control operation circuit and it is showed as the picture of 5-58.The power supply circuit consists of reduction voltage capacitor,C3,drain resistor,R1,commutation diode,VD3,filter capacitor and Zener diode,VS.
Reprinted Url Of This Article:
http://www.seekic.com/circuit_diagram/Basic_Circuit/Load_Power_Adjustor____Five.html
Print this Page | Comments | Reading(3)
Code: