Published:2011/5/22 0:49:00 Author:Michel | Keyword: Load Power Adjustor, Four | From:SeekIC

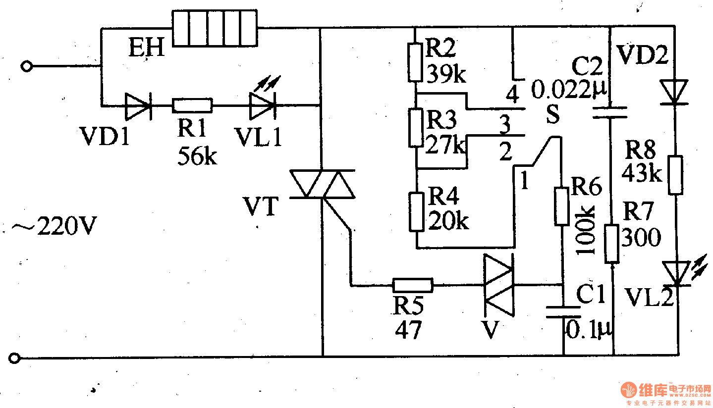
The simple load power adjustor introduced in the example has four gears power regulation function which can be used to control electric chafing dish and small electric pad's power.Circuit's Work Principle
The simple load power adjustor circuit is composed of thyristor,VT,diode,VD1and VD2,bidirectional trigger diode,V,LED,VL1and VL2,capacitor,C1 and C2,resistor,R1-R8,power selection switch,S and electric heater,EH and it is showed as the picture 5-57.When regulation power selects switch,S' gear,the Capacitor,C1's charging and discharging speed is changed so that thyristor's angle of flow will be altered too.
Reprinted Url Of This Article:
http://www.seekic.com/circuit_diagram/Basic_Circuit/Load_Power_Adjustor____Four.html
Print this Page | Comments | Reading(3)
Code: