Published:2011/7/7 16:18:00 Author:Michel | Keyword: Low Frequency, FM Circuit, Transistors | From:SeekIC

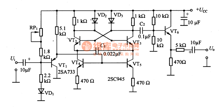
The picture is low frequency FM circuit of transistors.In this circuit, emitter coupling multivibrator is composed of Vt1 and VT2 and constant current comopsed of VT1 and Vt2 are used between its base and emitter and the base voltage controls the work current.Vt1 and Vt2 can make the VT3's voltage between 0.5~0.6V.If offset voltage is 5 V and the oscillation frequency ≈ 3.3 x1O3 / C1 according to the device parameters and environmental temperature is positive temperature coefficient. VTl is temperature compensation circuit and its purpose diode W knife of base-collector compensates temperature coefficient and at the same time VT1 also can complete level of the shift work of VT4 and VT5 UBE . When the +Ucc-0.6V frequency oscillation signal is taken from the VT3 's collector,it flows through straight capacitance C2 and is added to VT6's base and it outputs frequencysignal from emitter of follower VT6.
Reprinted Url Of This Article:
http://www.seekic.com/circuit_diagram/Basic_Circuit/Low_Frequency_FM_Circuit_of_Transistors.html
Print this Page | Comments | Reading(3)
Code: