Published:2012/9/6 20:23:00 Author:Ecco | Keyword: Low Voltage, H-bridge | From:SeekIC

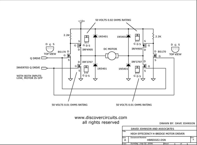
TTL type Q and inverted Q inputs control a classic H-bridge circuit, rated at 50 volts and about 10 amps. The circuit can control power and direction of a DC motor.
Source: discovercircuits
Reprinted Url Of This Article:
http://www.seekic.com/circuit_diagram/Basic_Circuit/Low_Voltage_H_bridge.html
Print this Page | Comments | Reading(3)
Code: