Published:2011/5/3 2:51:00 Author:Rebekka | Keyword: Low power DC, speed governing | From:SeekIC

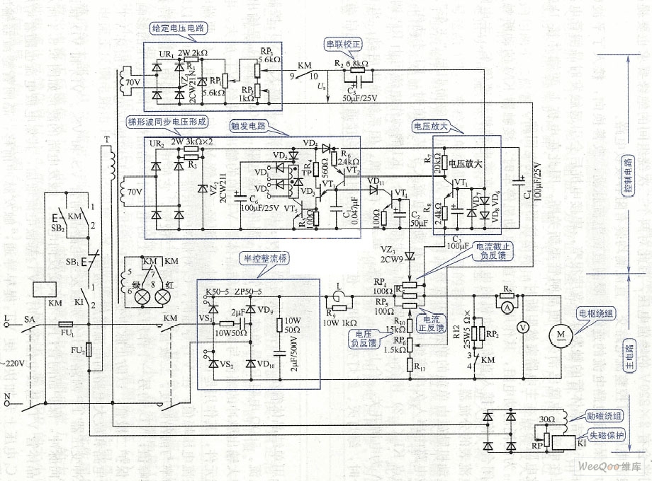
Low power DC speed governing circuit diagram.
Reprinted Url Of This Article:
http://www.seekic.com/circuit_diagram/Basic_Circuit/Low_power_DC_speed_governing_circuit_diagram.html
Print this Page | Comments | Reading(3)
Code: