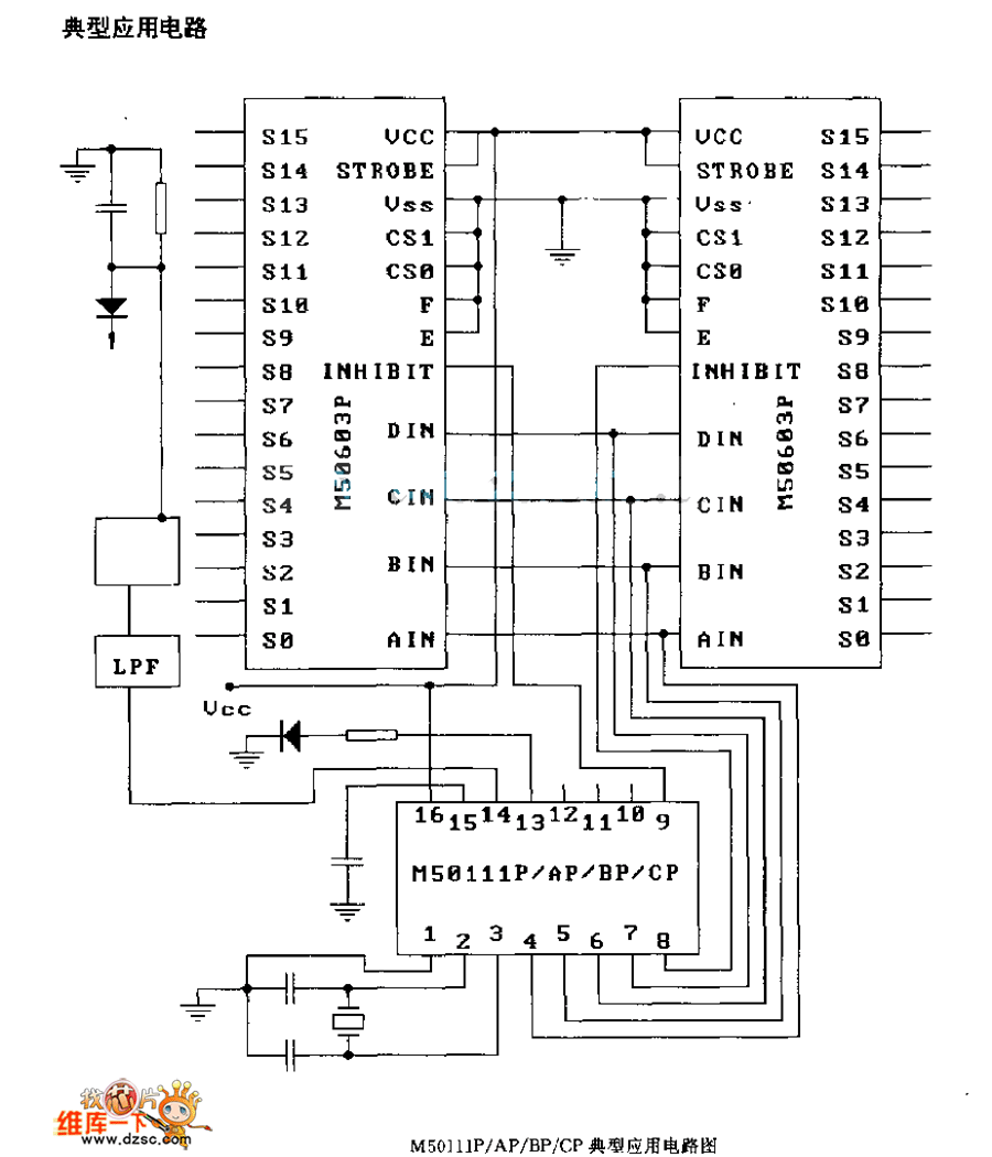
Published:2011/8/31 23:01:00 Author:Ecco | Keyword: Typical application | From:SeekIC

Reprinted Url Of This Article:
http://www.seekic.com/circuit_diagram/Basic_Circuit/M50111P_AP_By_CF_Typical_application_circuit_diagram.html
Print this Page | Comments | Reading(3)
Code: