Published:2009/7/24 11:41:00 Author:Jessie | From:SeekIC

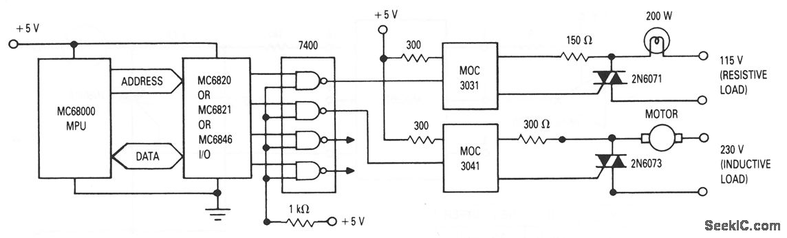
This circuit shows interface between an M68000 and resistive or inductive loads, using MOC3031 and MOC3041 optoisolators. The zero-crossing feature of these optoisolators extends life of incandescent lamps, reduces triac surge-current strains, and reduces EMI, as described for the circuit of Fig. 6-39 (but without the need for a timing circuit at the 7400 gate inputs). Motorola Thyristor Device Data, 1991, p. 1-6-16.
Reprinted Url Of This Article:
http://www.seekic.com/circuit_diagram/Basic_Circuit/M68000_microcomputer_interface.html
Print this Page | Comments | Reading(3)
Code: