Published:2009/7/20 2:01:00 Author:Jessie | From:SeekIC

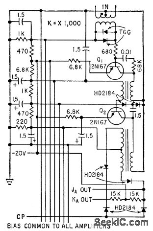
Amplifies phase-modulated step-modulated Manchester signal from magnetic drum read head and provides phase detection for recovery of stored information. Also used for synchronization.-A. J. Strassman and R. E. Keeter, Clock Track Recorder For Memory Drum, Electronics, 32:41, p 74-76.
Reprinted Url Of This Article:
http://www.seekic.com/circuit_diagram/Basic_Circuit/MAGNETIC_DRUM_READ_AMPLIFIER.html
Print this Page | Comments | Reading(3)
Code: