Published:2009/7/16 5:09:00 Author:Jessie | From:SeekIC

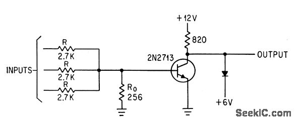
With odd number of inputs and resistor-summer, threshold logic transistor is virtually off up to 0.5 V base-emitter voltage and on at 0.7V. Output is inverted.-W. A. Sauer, How to Achieve Majority and Threshold Logic with Semiconductors, Electronics, 36:48, p 23-25.
Reprinted Url Of This Article:
http://www.seekic.com/circuit_diagram/Basic_Circuit/MAJORITY_GATE.html
Print this Page | Comments | Reading(3)
Code: