Published:2009/7/13 5:18:00 Author:May | From:SeekIC

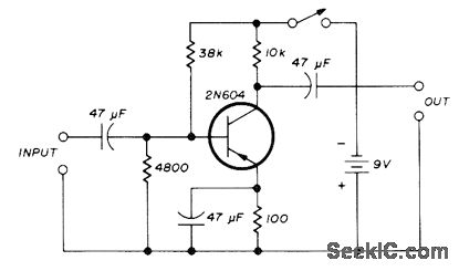
Single-transistor microphone impedance-matching circuit for low-impedance microphone feeds high-impedance input of amateur SSB transceiver. Circuit also boosts gain enough to meet transmitter input requirements.-C. Drumeller, Active Microphone Impedance Match, Ham Radio, Sept. 1973, p 67-68.
Reprinted Url Of This Article:
http://www.seekic.com/circuit_diagram/Basic_Circuit/MATCHING_LOW_Z_MIKE.html
Print this Page | Comments | Reading(3)
Code: