Published:2012/9/18 2:21:00 Author:Ecco | Keyword: bridge excitation | From:SeekIC

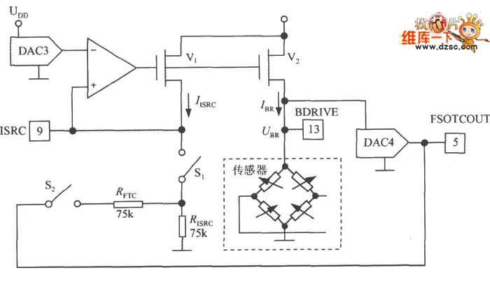
The bridge excitation circuit with digital pressure signal conditioner MAX1458 is shown as the figure. It uses DAC3 output to change the size of the sensor excitation current IBR and realize full-scale calibration. IISRC is the reference current set by RISRC and 9 feet voltage. V1 and V2 form a mirror current source, when the current gain is 14 times, the excitation current IBR = 14IISRC. The IBR programming range is 0.1 ~ 2mA. The on-off state of analog switches S1, S2 is governed by the configuration register. Obviously, when the full-scale output voltage changes, DAC3 will compensate bridge output voltage by BR changing, thereby correcting the errors of the full scale. DAC4 is used to correct the error of full scale temperature coefficient.
Reprinted Url Of This Article:
http://www.seekic.com/circuit_diagram/Basic_Circuit/MAX1458_bridge_excitation_circuit_diagram.html
Print this Page | Comments | Reading(3)
Code: