Published:2011/6/13 22:14:00 Author:Christina | Keyword: application circuit | From:SeekIC

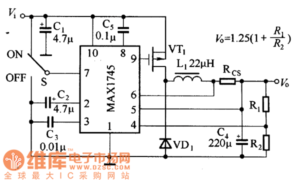
The typical application circuit of the MAXI745 is as shown in the figure, the input voltage is 5.5 to 36V, the input voltage is 1.25 to 18V, and the output voltage is decided by the partial pressure ratio of R1 and R2. The output current is decided by the current-limiting resistance RCS, and it also has relationship with the switch tube VT1 and the freewheeling diode VD1. The pin-7 of the MAX1745 can use the electrical level to close the power supply, in normal work, this pin can input the voltage Vi directly; if you want to close the power supply, you need to connect this port to ground.
MAX1745 application circuit
Reprinted Url Of This Article:
http://www.seekic.com/circuit_diagram/Basic_Circuit/MAX1745_application_circuit.html
Print this Page | Comments | Reading(3)
Code: