Published:2012/7/23 3:01:00 Author:Ecco | Keyword: filter | From:SeekIC

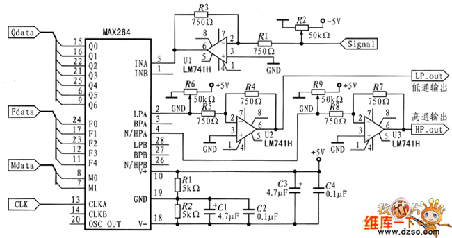
The system design uses a pin programmable filter MAX264 to realize low-pass or high pass filter, and the circuit is shown in the figure ( Attenuation amplification network). The circuit design uses unipolar input mode, and its input voltage range is 0 V to 5 V. When people adjust circuit, the signal should be adjusted to the input range. Conditioning process: the signal first passes the attenuation network to make the peak - the peak be -2.5 V ~ +2.5 V, then the adder adjusts the signal to the range of 0 V ~~ 5 V, after filtering , the subtractor turns signal into - 2.5 V ~ +2.5 V, and zoom network is used to compensate balance attenuation, then the circuit outputs the rms to converter circuit.
Reprinted Url Of This Article:
http://www.seekic.com/circuit_diagram/Basic_Circuit/MAX264_filter_circuit_diagram.html
Print this Page | Comments | Reading(3)
Code: