Published:2011/7/26 3:32:00 Author:Christina | Keyword: microcontroller circuit, remote controlled | From:SeekIC

The TC9148 is designed as the CMOS low power consumption infrared remote control launch special IC, and it is usually used with the TC9149/TC9150 infrared remote control receiver IC to control the household appliances.
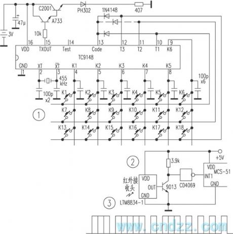
The principle of the transmitter is as shown in figure 1. The static power consumption of the TC9148 is very low, you need not to set the power switch. The readers also can use the remote controller product that is made with the TC9148. The author codes the first 3 bits of 101 , so the second diode does not need to connect. The principle of the receiver is simple, as the figure 2 shows. The infrared receiver uses the finished product, it sends the signal to the INT1 port of the single-chip microcomputer.
Reprinted Url Of This Article:
http://www.seekic.com/circuit_diagram/Basic_Circuit/MCS_51_microcontroller_circuit_remote_controlled_by_TC9148.html
Print this Page | Comments | Reading(3)
Code: