Published:2009/7/1 2:22:00 Author:May | From:SeekIC

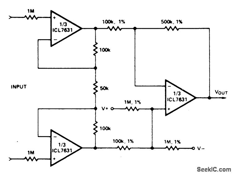
Note that AVOL=25; single Ni-cad battery operation. Input current (from sensors connected to the patient) is limited to less than 5μh under fault conditions.
Reprinted Url Of This Article:
http://www.seekic.com/circuit_diagram/Basic_Circuit/MEDICAL_INSTRUMENT_PREAIVIPLIFIER.html
Print this Page | Comments | Reading(3)
Code: