Published:2009/7/12 20:53:00 Author:May | From:SeekIC



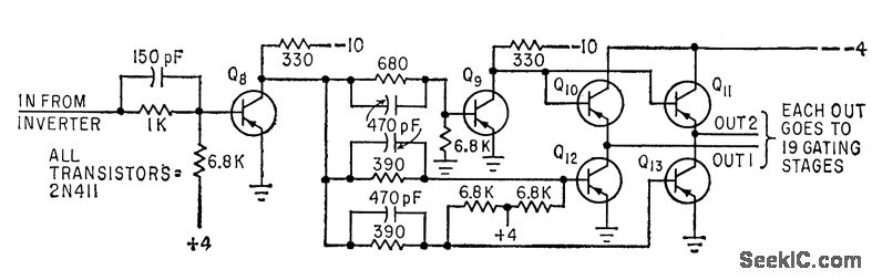
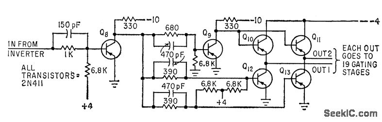
Used in generating precisely defined strobes for coincident-current memory. Uses drive-sampling core instead of clock signal to produce strobe at time when signal-to-noise ratio is highest.-A. H. Ashley and E. U. Cohler, Solving Noise Problems in Digitctl Computer Memories, Electronics, 33:13, p72-74.
Reprinted Url Of This Article:
http://www.seekic.com/circuit_diagram/Basic_Circuit/MEMORY_STROBING_PULSE_GATE.html
Print this Page | Comments | Reading(3)
Code: