Published:2011/6/13 22:00:00 Author:Christina | Keyword: application circuit | From:SeekIC

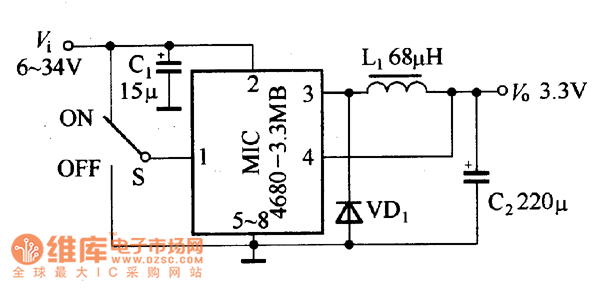
The fixed output voltage circuit which is composed of the MIC4680-3.3BM is as shown in the figure. The input voltage is 6 to 34V, the output voltage is 3.3V.
MIC4680-3.3BM application circuit
Reprinted Url Of This Article:
http://www.seekic.com/circuit_diagram/Basic_Circuit/MIC4680_33BM_application_circuit.html
Print this Page | Comments | Reading(3)
Code: