Published:2009/7/20 2:13:00 Author:Jessie | From:SeekIC

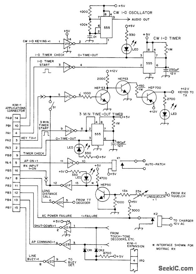
Under pro-gram control, interface for MOS Technology KIM-1 microcomputer turns on transmitter of. repeater when signal arrives at receiver; pro-vides 3-min timer, CW ID timer, and tail or delay at end of transmission; and generates Morse code CW ID. Article gives flow charts and programming for basic functions, along with complete autopatch control routine. CR1 and CR2 are small-signal silicon diodes such as 1N914, U1 and U2 are 7404 TTL hex inverters.-C, M. Robbins, The Microprocessor and Repeater Control, QST, Jan. 1977, p 30-34.
Reprinted Url Of This Article:
http://www.seekic.com/circuit_diagram/Basic_Circuit/MICROPROCESSOR_CONTROL.html
Print this Page | Comments | Reading(3)
Code: