Published:2009/7/5 22:23:00 Author:May | From:SeekIC

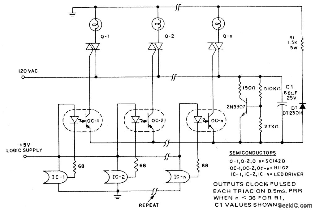
In microprocessor control of multiple loads, the minimum cost per load is critical. A typical application example is a large display involving driving arrays of incandescent lamps. This circuit provides minimal component cost per stage and optocoupler triggering of triac power switches from logic outputs. The minimal component cost is attained by using more complex software in the logic. A darlington output optocoupler provides gate current pulses to the triac, with cost advantages gained from eliminating the current limiting resistor and from the low cost coupler. The trigger current source is a dipped tantalum capacitor, charged from the line via a series resistor with coarse voltage regulation being provided by the darlington signal transistor. The resistor and capacitor are shared by all the darlington-triac pairs and are small in size and cost due to the low duty cycle of pulsing. Coupler IRED current pulses are supplied for the duration of one logic clock pulse (2-10μsec), at 0.4 to 1 msec intervals, front a LED driver LC. The pulse timing is derived from the clock waveform when the logic system requires triac conduction.
A current limiting resistor is not used, which prevents Miller effect slowdown of the H11G2 switching speed to the extent the triac is supplied insufficient current to trigger.Optodarlington power dissipation is controlled by the low duty cycle and the capacitor supply characteristics.
Reprinted Url Of This Article:
http://www.seekic.com/circuit_diagram/Basic_Circuit/MICROPROCESSOR_TRIAC_ARRAY_DRIVER.html
Print this Page | Comments | Reading(3)
Code: