Published:2009/7/14 4:51:00 Author:May | From:SeekIC

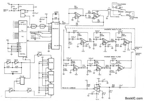
Developed as part of TV terminal for microprocessor, to permit communication over telephone line with time-sharing computer system. Uses Motorola MC14412 modem chip for full-duplex FSK modulation having originate frequencies of 1270 Hz for mark and 1070 Hz for space, with answer frequencies of 2225 Ha for mark and 2025 Hz for space. AY-5-1012 UART serves as parallel interface to microprocessor. Article covers operation, construction, testing, connection to telephone lines, and use of modem. -R. Lange, Build the S35 Modem, Kil-obaud, Nov. 1977, p 94-96.
Reprinted Url Of This Article:
http://www.seekic.com/circuit_diagram/Basic_Circuit/MODEM.html
Print this Page | Comments | Reading(3)
Code: