Published:2009/7/15 2:31:00 Author:Jessie | From:SeekIC

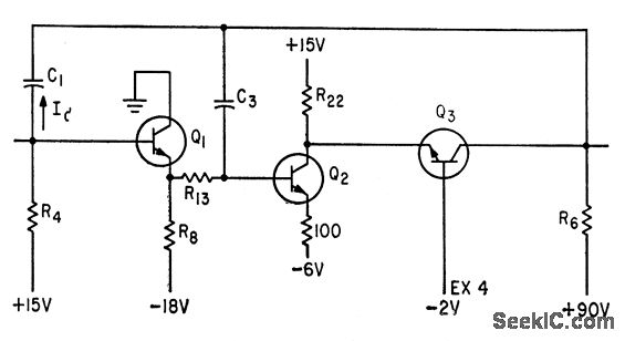
Addition of input emitter-follower Q1 increases open-loop current gain of integrator and provides increased accuracy and linearity.-S. R. Parris and D. A, Staar, Highly Accurate Phantastron Delay Circuit, Electronics, 33:43, p 72-74.
Reprinted Url Of This Article:
http://www.seekic.com/circuit_diagram/Basic_Circuit/MODIFIED_PHANTASTRON_INTEGRATOR.html
Print this Page | Comments | Reading(3)
Code: