Published:2009/7/6 21:52:00 Author:May | From:SeekIC

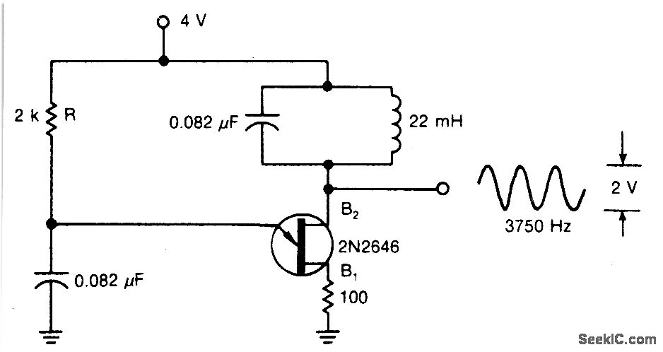
Circuit NotesBy placing a tuned circuit in the UJT oscillator's current-pulse path, a 3750-Hz sinusoid can be created at B2 with the component values shown.
Reprinted Url Of This Article:
http://www.seekic.com/circuit_diagram/Basic_Circuit/MODIFIED_UJT_RELAXATION_OSCILLATOR_PRODUCES_GLEAN_AUDIO_SINUSOIDS.html
Print this Page | Comments | Reading(3)
Code: