Published:2009/7/6 7:38:00 Author:May | From:SeekIC

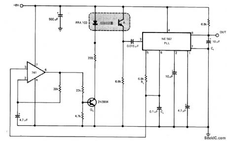
Circuit provides modulation of Fairchild FPA 103 optoisolator at about 1400 Hz and demodulation of signal from detector, to make optoisolator insensitive to strong fluorescent light without compromising performance. Rt and Ct set VCO of NE567 phase4ocked loop IC at about 1400 Hz, and 741 opamp converts triangle wave at pin 6 of PLL to square wave with 50% duty cycle for driving LED of optoisolator through Q1. Also useful with visible light systems.-R. Oliver, Improve Photo Sensors with a Phase-Locked Loop IC, EDN Magazine, April 5, 1976, p 112.
Reprinted Url Of This Article:
http://www.seekic.com/circuit_diagram/Basic_Circuit/MODULATED_OPTOISOLATOR.html
Print this Page | Comments | Reading(3)
Code: