Published:2009/7/14 23:28:00 Author:Jessie | From:SeekIC

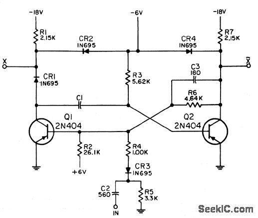
Designed to perform delay function in digital logic circuits for computer, control, and communication equipment. Choice of feedback capacitor C1 gives delay range from 2microsec to 100 millisec.R3 may be made variable for further adjustment of time delay.-NBS, Handbook Preferred Circuits Navy Aeronautical Electronic Equipment, Vol. II, Semiconductor Device Circuits, PSC 10 (originally PC 213), p 10-2.
Reprinted Url Of This Article:
http://www.seekic.com/circuit_diagram/Basic_Circuit/MONOSTABLE_DELAY.html
Print this Page | Comments | Reading(3)
Code: