Published:2009/7/16 5:16:00 Author:Jessie | From:SeekIC

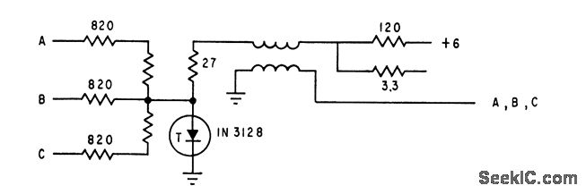
Uses resistance-coupled inputs to drive tunnel diode.-F.Leary, Computers Today, Electronics, 34;17, p 64-94.
Reprinted Url Of This Article:
http://www.seekic.com/circuit_diagram/Basic_Circuit/MONOSTABLE_OR_CIRCUIT.html
Print this Page | Comments | Reading(3)
Code: