Published:2009/7/1 20:24:00 Author:May | From:SeekIC

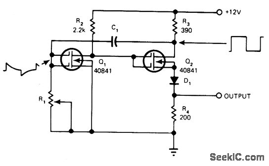
RCA 40841 dual-gate N-channel depletion-type MOSFETs alternate between high and low conduction states in between dormant periods when C1 is charging or discharging through R1 Circuit switches state when voltage level at gate of a, makes gain lf high enough for regeneration to occur. D1 reduces voltage across R4 to give TTL drive capability.-D. R. Armstrong, Wide-Frequency Astable Multivibrator Uses One R-C Network, EDN Magazine, Aug, 5, 1977, p 54.
Reprinted Url Of This Article:
http://www.seekic.com/circuit_diagram/Basic_Circuit/MOSFET_ASTABLE.html
Print this Page | Comments | Reading(3)
Code: