Published:2009/6/30 3:14:00 Author:May | From:SeekIC

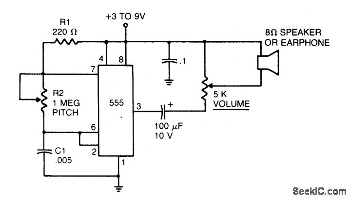
In the 555 oscillator circuit, adjusting R2 will provide output frequencies from below 200 Hz to above 62 kHz. Use a good quality miniature speaker so that it will produce frequencies on the order of 20 kHz.
Reprinted Url Of This Article:
http://www.seekic.com/circuit_diagram/Basic_Circuit/MOSQUITO_REPELLING_CIRCUIT.html
Print this Page | Comments | Reading(3)
Code: