Published:2009/7/10 23:47:00 Author:May | From:SeekIC

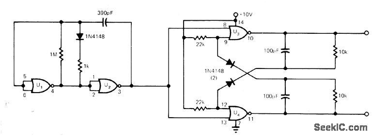
Only one 4001 CMOS quad two-input NOR-gate 10 is needed for symmetrical complementary-output clock having good temperature and supply stability.Gates U1 and U2 form astable oscillator producing positive-going pulses used to triggir divide-by-2 flip-flop U3-U4. Circuit will operate over wide range of supply voltages and temperatures,-M,Eaton,Symmetrical CMOS clock is Inexpensive,EDN Magazineļ¼March 20,1974,p 80 and 83.
Reprinted Url Of This Article:
http://www.seekic.com/circuit_diagram/Basic_Circuit/MOS_FOUR_GATE_CLOCK.html
Print this Page | Comments | Reading(3)
Code: