Published:2009/7/24 11:33:00 Author:Jessie | From:SeekIC

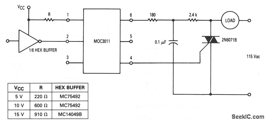
This circuit shows interface between MOS logic and an ac load, using an MOC3011 optoisolator with triac-driver output (chapter 9). The value of R depends on the type of MOS buffer used. Motorola Thyristor Device Data, 1991, p. 1-3-16.
Reprinted Url Of This Article:
http://www.seekic.com/circuit_diagram/Basic_Circuit/MOS_to_ac_load_interface.html
Print this Page | Comments | Reading(3)
Code: