Published:2009/7/16 1:47:00 Author:Jessie | From:SeekIC

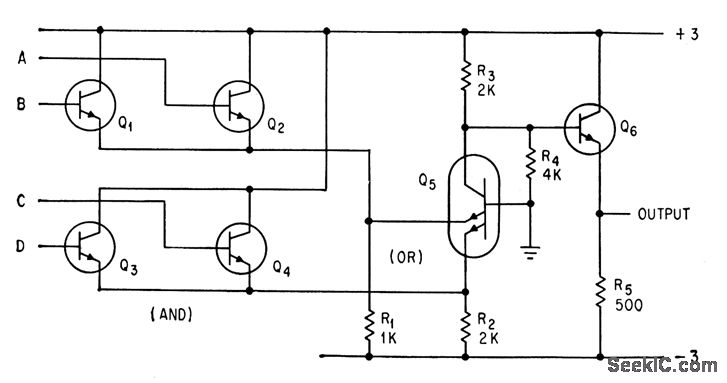
Circuit performs and function first, then or function. For integrated-circuit construction, few isolated lands ore needed.-P. M. Thompson, Logic Principles for Multi-emitter Transistors, Electronics, 36:37, p 25-29.
Reprinted Url Of This Article:
http://www.seekic.com/circuit_diagram/Basic_Circuit/MULTIEMITTER_TRANSISTOR_ALTERNATES_BETWEEN_AND_OR_LOGIC.html
Print this Page | Comments | Reading(3)
Code: