Published:2009/7/16 1:48:00 Author:Jessie | From:SeekIC

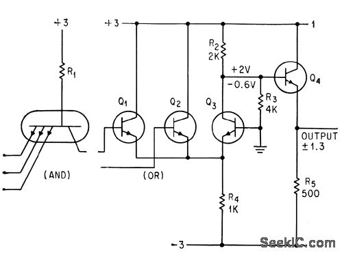
Circuits may be coupled either directly or by multi-emitter transistor and gates. Components show promise for integrated circuits.-P. M. Thompson, Logic Principles for Multi-emitter Transistors, Electronics, 3637, p 25-29.
Reprinted Url Of This Article:
http://www.seekic.com/circuit_diagram/Basic_Circuit/MULTIEMITTER_TRANSISTOR_AND_OR_LOGIC.html
Print this Page | Comments | Reading(3)
Code: